General informations

Reed Switches
Capacitive Loads
Unlike inductive loads, capacitive and lamp loads are prone to high inrush currents which can lead to faulty operation and even contact welding.
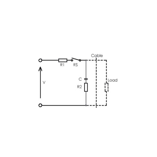
When switching charged capacitors (including cable capacitance) a sudden unloading can occur, the intensity of which is determined by the capacity and length of the connecting leads to the switch. This inrush peak can be reduced by a series of resistors. The value of these resistors is dependent on the particular application but should be as high as possible to ensure that the inrush current is within the allowable limits.
| >> With lamp load applications it is important to note that cold lamp filaments have a resistance 10 times smaller than already glowing fi laments. This means that when being turned-on, the lamp fi lament experiences a current fl ow 10 times greater than when already glowing. This high inrush current can be reduced to an acceptable level through the use of a series of current-limiting resistors. Another possibility is the parellel switching of a resistor across the switch. This allows just enough current to fl ow to the fi lament to keep it warm, yet not enough to make it glow.
The above diagram illustrates a resistor/capacitor network for protecting a Reed Switch against high inrush currents. R1 and/or R2 are used depending upon circuit conditions. Lamp load with parallel or current limiting resistor across the switch
|